Пресс пневмогидравлический П-60
| Склады | Наличие |
| Основной склад (Реутов) | ![]() |
| Выставка (Офис) (М.О. г. Реутов) | ![]() |
| Склад Санкт-Петербург (Санкт-Петербург) | ![]() |
| Склад Екатеринбург (Екатеринбург) | ![]() |
| Склад Ростов-на-Дону (Аксай) | ![]() |
ВАЖНО!!!!
С целью противодействия коррупции и легализации доходов полученных преступным путем,
ООО «Техносоюз» не принимает платежи переводом с карты на карту физических лиц и не имеет других юридических лиц кроме указанных на этой странице.
Если Вам предлагают сделать перевод не по реквизитам указанным ниже – это мошенники. Будьте внимательны.
Безналичный расчет
Пожалуйста, производите оплату за оборудование только по следующим реквизитам:
ОГРН 5067746767501, Дата регистрации 21 сентября 2006г.
Получатель: Общество с ограниченной ответственностью «Техносоюз»
Юр. адрес: 109029, г. Москва, вн.тер.г.муниципальный округ Таганский, проезд Сибирский, д.2, стр.2, помещ. 1/3
Факт. Адрес: 143960, Московская обл., г. Реутов, ул. Фабричная, д. 7, офис 310
ИНН: 7709701457
КПП: 770901001
ОГРН: 5067746767501
Вариант 1: "Сбербанк России"
Р/с 40702810340040006789 в ПАО "СБЕРБАНК РОССИИ" г. Москва
К/с 30101810400000000225
БИК 044525225
Вариант 2: ФИЛИАЛ "ЦЕНТРАЛЬНЫЙ" БАНКА ВТБ (ПАО)
Р/с 40702810377010000923 в ФИЛИАЛ "ЦЕНТРАЛЬНЫЙ" БАНКА ВТБ (ПАО) г. Москва
К/с 30101810145250000411
БИК 04452541
Оплата при доставке
Вариант 1: В г. Москва и Московской области возможна оплата по QR-коду (без комиссии), пластиковой картой, кредитной картой в момент доставки оборудования до клиента. В этом случае водитель-экспедитор приедет к Вам с мобильным терминалом ПАО СБ РФ и «прокатает» карту в Вашем присутствии с обязательной выдачей чека ККМ, счет-фактуры и товарно-транспортной накладной. При оплате заказа дебетовой платиковой картой (не по QR-коду) к сумме счета прибавляется комиссия банка 1,5%.
Оплата в офисе
Вариант 1: В московском офисе возможна оплата наличными с обязательной выдачей чека ККМ, счет-фактуры и товарно-транспортной накладной.
Вариант 2: В Московском, Ростовском офисе и офисе Екатеринбург возможна оплата по QR-коду (без комиссии), пластиковой картой, кредитной картой через банковский терминал, оплата по ссылке, с обязательной выдачей чека ККМ, счет-фактуры и товарно-транспортной накладной. При оплате заказа дебетовой платиковой картой (не по QR-коду) к сумме счета прибавляется комиссия банка 1,5%.Оплата онлайн банковской картой
Для выбора оплаты товара с помощью банковской карты на соответствующей странице сайта необходимо нажать кнопку «Оплата банковской картой».
Оплата происходит через авторизационный сервер Процессингового центра Банка с использованием Банковских кредитных карт следующих платежных систем:
- VISA International
- MasterCard World Wide
- МИР
- UnionPay
Описание процесса передачи данных
Для оплаты покупки Вы будете перенаправлены на платежный шлюз ПАО "Сбербанк России" для ввода реквизитов Вашей карты. Пожалуйста, приготовьте Вашу пластиковую карту заранее. Соединение с платежным шлюзом и передача информации осуществляется в защищенном режиме с использованием протокола шифрования SSL.
В случае если Ваш банк поддерживает технологию безопасного проведения интернет-платежей Verified By Visa или MasterCard Secure Code для проведения платежа также может потребоваться ввод специального пароля. Способы и возможность получения паролей для совершения интернет-платежей Вы можете уточнить в банке, выпустившем карту.
Настоящий сайт поддерживает 256-битное шифрование. Конфиденциальность сообщаемой персональной информации обеспечивается ПАО "Сбербанк России". Введенная информация не будет предоставлена третьим лицам за исключением случаев, предусмотренных законодательством РФ. Проведение платежей по банковским картам осуществляется в строгом соответствии с требованиями платежных систем Visa Int. и MasterCard Europe Sprl.
Описание процессa оплаты
При выборе формы оплаты с помощью пластиковой карты проведение платежа по заказу производится непосредственно после его оформления. После завершения оформления заказа в нашем магазине, Вы должны будете перенаправлены на страницу авторизационного сервера, где Вам будет предложено ввести данные пластиковой карты, инициировать ее авторизацию, после чего вернуться в наш магазин кнопкой "Вернуться в магазин". После того, как Вы возвращаетесь в наш магазин, система уведомит Вас о результатах авторизации. В случае подтверждения авторизации Ваш заказ будет автоматически выполняться в соответствии с заданными Вами условиями. В случае отказа в авторизации карты Вы сможете повторить процедуру оплаты.
При аннулировании заказа
При аннулировании позиций из оплаченного заказа (или при аннулировании заказа целиком) Вы можете заказать другой товар на эту сумму, либо вернуть всю сумму на карту предварительно написав письмо на e-mail.
Покупателям:
Уважаемые клиенты, многие спрашивают – «с какой целью вы запрашиваете паспортные данные???».
Отвечаем:
1. При отправке в регионы мы ОБЯЗАНЫ указать получателя. В случае отсутствия данных о получателе груза, транспортная компания не сможет Вас идентифицировать и выдать Вам товар.
2. Для исполнения гарантийных обязательств. Мы должны иметь возможность идентифицировать покупателя и бесплатно оказать услуги по гарантийному ремонту и обслуживанию оборудования.
Москва и Московская область.
Вы можете получить приобретенный товар следующим образом:
1. Доставка товара
Доставка осуществляется на платной основе с 9-00 до 18-00 по рабочим дням.
Телефон службы доставки: 8-909-938-59-52
Тарифы на доставку:
Доставка без разгрузки в пределах МКАД 3500 руб.
Доставка за пределы МКАД: + 30 руб. \км
Дополнительные условия: Заказчик обязуется обеспечить разгрузку товара не более чем за 30 мин
2. Самовывоз
С нашего склада, по адресу: Московская область, г.Реутов, ул. Фабричная д.7. Схема проезда.
Уважаемые клиенты, убедительная просьба - приезжать на автомобилях соответствующих весу и габаритным размерам оборудования.
Регионы России и ближнее зарубежье.
Доставка осуществляется транспортными компаниями, далее ТК.
Обратите внимание: доставка товаров по г. Москва до ТК осуществляется бесплатно.
Доставка товара (забор груза) в транспортные компании со склада в г. Ростов-на-Дону и г. Екатеринбург оплачивается Клиентом отдельно по тарифам ТК.
Все товары отгружаемые через ТК по России и странам СНГ - ЗАСТРАХОВАНЫ !!!
Порядок работы с ТК.
- Осуществляем доставку до ТК, сдаем товар
- ТК выставляет счет за свои услуги, который Вы оплачиваете.
Стоимость услуг ТК за доставку оборудования рассчитывается в соответствии с тарифами самой ТК (зависит от расстояния пункта назначения, суммарного веса и объёма товаров)
Предварительный расчет стоимости доставки оборудования можно получить на сайтах транспортных компаний (адреса сайтов приведены ниже).
Мы работаем со следующими транспортными компаниями:
Деловые Линии, действует скидка до 15% на межтерминальную перевозку для клиентов ООО "Техносоюз" - www.dellin.ru/
СДЭК - https://www.cdek.ru (Для товара не более 200 кг., забор груза со склада ООО "Техносоюз" осуществляет СДЭК )
ЖелДорЭкспедиция - www.jde.ru
Балтийская служба доставки - www.tk-bsd.com
Доставка до терминала других ТК в г. Москва оплачивается Покупателем дополнительно в размере 3500 руб.
* Обращаем ваше внимание на то, что данный Интернет сайт носит исключительно информационный характер и ни при каких условиях не является публичной офертой, определяемой положениями Статьи 437 Гражданского кодекса Российской Федерации. Для получения подробной информации о стоимости оборудования и запасных частей, пожалуйста, обращайтесь к менеджерам по продажам.
Перед монтажом подьемника просим вас ознакомиться с фундаментным заданием Схема бетонирования 2-х стоечных подьемников
Монтаж автомобильных подъемников
Стоимость работ по монтажу
| 2-х стоечные |
Т-4 ТS-4* |
ТS-4MR* |
ТS-4M рама* |
ТS-5* | TS-1114MR* | TS-1111* | S4D-2* | П-97MK* | П1-01МН* | TS-1501 |
|
Монтаж (без расходных материалов) |
12 000 руб. | 13 000 руб. | 15 000 руб. | 16 000 руб. | 14 000 руб. | 14 000 руб. | 15 000 руб. | 15 000 руб. | 16 000 руб. | 16 000 руб. |
| Шефмонтаж ** | 9 000 руб. | 9 000 руб. | 10 000 руб. | 10 000 руб. | 9 000 руб. | 9 000 руб. | 9 000 руб. | 9 000 руб. | 9 000 руб. | 9 000 руб. |
|
Монтаж + химические анкера + масло |
26 000 руб. | 27 000 руб. | 33 300 руб. | 36 900 руб. | 28 000 руб. | 28 000 руб. | 28 000 руб. | 18 600 руб. | 19 600 руб. | 30 000 руб. |
|
Сроки гарантии на наш монтаж, мес. |
36* | 24 * | 24 | 24 * | 24* | 24 * | 24 | 12 | 12 | 24 |
| 4-х стоечные | F4D-4* | ТS5.5D-4L* | П2-01МН* | П1-06* |
|
Монтаж (без расходных материалов) |
20 000 руб. | 21 000 руб. | 21 000 руб. | 23 000 руб. |
| Шефмонтаж ** | 11 000 руб. | 11 000 руб. | 12 000 руб. | 12 000 руб. |
|
Монтаж + клиновые анкера + масло |
26 800 руб. | 27 800 руб. | 30 450 руб. | 30 200 руб. |
| Ножничные |
TS-1104 TS-1113 TS-1107 |
TS-1502 |
|
Монтаж (без расходных материалов) |
25 500 руб. | 8 500 руб. |
| Шефмонтаж ** | 13 000 руб. |
|
|
Монтаж + клиновые анкера + масло |
31 800 руб. | 12 000 руб. |
Монтаж выполняется на фундаменте, который подготовлен согласно фундаментного задания на монтируемый подъемник. Отклонение по горизонтальной опорной плоскости фундаментной плиты допускается не более 1мм на 1м.
При монтаже автомобильного подъемника, заказчик предоставляет временный провод (4х2,5) от электросети для проверки работы монтируемого подъемника. Прокладка постоянного кабеля от щитка является дополнительной услугой, и оплачиваются отдельно, согласно прайс-листа на электромонтажные работы.
Установка (монтаж) автоподъёмника:
сборка;
крепление собранной конструкции к полу;
подключение подъемника к электрической сети;
настройка оборудования в соответствии с требованиями;
для гидравлических подъемников: заливка технических жидкостей;
пуско-наладка, проверка работоспособности (имитация рабочей нагрузки и нагрузки, превышающей его).
В установку не не входит:
перетаскивание подъемника по помещению к месту установки;
электромонтажные работы в помещении;
влажная уборка после установки;
подготовка бетонного основания (тумбы) под установку подъемника;
дополнительные работы при не стандартных ситуациях.
Для начала установки подъемника нужно подготовиться:
толщина бетона должна быть более 25 см, качество бетона не ниже марки 300;
в помещение должно быть тепло, не менее +10 C;
очистить площадку установки от посторонних предметов;
складировать подъемник в непосредственной близости от места установки;
подготовить электрический кабель для подключения к пульту управления подъемника;
подготовить деньги за выполненную работу при наличном расчете или печать (доверенность) при безналичном.
* На данные модели подъемников, предоставляется расширенная гарантия, при условии монтажа произведенного сервисной службой Техносоюз.
** При заказе услуги Шефмонтаж автомобильного подъемника, к клиенту выезжает 1 (один) мастер-монтажник, который осуществляет руководство бригадой заказчика при монтаже подъемника. После монтажа, мастер-монтажник производит пуск установленного оборудования.
Расходные материалы
| Масло гидравлическое | комплект | 4 650 руб. |
| Анкер клиновой | 1 шт. | 300 - 450 руб. |
| Анкер химический (промышленный) (16') |
1 компл. (1 точка крепления) |
1 200 руб. |
| Анкер химический (промышленный) (20') |
1 компл. (1 точка крепления) |
|
|
Стальная проставочная пластина, |
1 шт. | 15 руб. |
Дополнительные услуги
| Демонтаж автомобильного подъемника |
50 % от стоимости монтажа |
| Выезд монтажной бригады за МКАД (от 5 км) | 45 руб. / км |
| Подготовка основания под монтаж | по договоренности |
|
Перемещение разобранного подъемника за пределами монтажной зоны |
по договоренности |
|
Выезд монтажника для проведения осмотра основания под монтаж |
2800 руб. |
Установка шиномонтажного оборудования
Стоимость работ по монтажу
|
Шиномонтажный станок легковой / грузовой |
4 500 / 5500 руб. |
| Монтаж "третьей руки" | 1 000 руб. |
|
Балансировочный станок легковой / грузовой |
3 500 руб. |
|
Калибровка балансировочного станка |
4 600 руб. |
|
Калибровка балансировочного станка |
1 500 руб. |
|
Калибровка балансировочного станка |
4 000 руб. |
|
Компрессор (рекомендации по месту установки, сборка, проверка работы, настройка рабочего давления, работа по подключению к подведенной пневмолинии) |
3 000 руб. |
Прочее оборудование
Помимо установки, мы также занимаемся ремонтом и обслуживанием автоподъемников, шиномонтажного оборудования, и т.д. . Обслуживание предполагает визуальный осмотр подъемников (определение степени износа основных узлов и деталей), ее диагностику и тестирование. Обслуживание и ремонт от нашей компании позволит вам быть уверенными в надежности всех автоподъемников, предотвратить преждевременный износ ремней и элементов, избежать течей и продлить срок службы подъемника. Мы предлагаем вам качественные услуги по доступным ценам.Для получения дополнительной информации вы можете позвонить нам по контактным телефонам, размещенным на этом сайте.
Монтаж производится по договоренности, пожалуйста, обращайтесь по телефону:+7926-422-32-12 Пушкин Александр
По вопросам гарантийного ремонта, обращайтесь: 8 963 710 30 18 Александр
Гарантийный ремонт
Компания Техносоюз обязуется обеспечить бесплатный ремонт поставляемого нами оборудования в течении всего гарантийного срока который указан в гарантийном талоне, гарантийный срок продлевается на время нахождения изделия в гарантийном ремонте. Однако ООО «Техносоюз» оставляет за собой право отказа от бесплатного гарантийного ремонта в случае не соблюдения изложенных ниже условий гарантии. Все условия гарантии действуют в рамках законодательства и регулируются законодательством РФ.
Убедительно просим Вас во избежание недоразумений внимательно изучить Инструкцию по эксплуатации и проверить правильность заполнения гарантийного талона, обратите внимание на наличие даты продажи, подписи и печати фирмы-продавца.
- . Гарантия на подъемники, шиномонтажные станки, балансировочные станки, ОСК и прочее технологически сложное оборудование, действительна только в случае если монтажные или пусконаладочные работы производились сервисной службой ООО «Техносоюз» или уполномоченными дилерами.
- . Гарантия действительна только при наличии правильно заполненного гарантийного талона с указанием серийного номера изделия, дата продажи, гарантийного срока, подписи и печати фирмы-продавца. Доставку изделия в сервисные центры покупатель осуществляет своими силами.
- . Бесплатный ремонт или обмен продукции производится только в течение гарантийного срока, указанного в гарантийном талоне.
- . Серийный номер и модель изделия должны соответствовать указанным в гарантийном талоне.
- . Изделие снимается с гарантии в следующих случаях:
- - Если изделие имеет следы постороннего вмешательства или была попытка ремонта изделия самостоятельно.
- - Если изделие использовалось с нарушением правил эксплуатации.
- - Если изделие использовалось не по назначению.
- . Гарантия не распространяется на:
- - Механические повреждения;
- Повреждения, вызванные попаданием внутрь оборудования посторонних предметов, веществ, жидкостей;
- Повреждения вызванные стихией, пожаром, бытовыми факторами;
- Повреждения связанные с несоблюдением Государственных стандартов питающих сетей;
- Повреждения, вызванные использованием нестандартных запчастей и расходных материалов;
- Для оборудования оснащенного электроникой, если не установлен стабилизатор напряжения;
- Износ оборудования вызванный отсутствием или не качественным техническим обслуживанием (своевременная замена масла, обслуживание трущихся рабочих поверхностей, смазка движущихся узлов и пр.)
- Комплектующие являющимися расходными материалами (блоки скольжения, подъемно-лифтовые тросы, ролики, подушки винтовых опор и пр. РТИ, тормозные колодки и прочие комплектующие подверженные износу в зависимости от интенсивности эксплуатации и своевременной регламентной замене)
- - Механические повреждения;
Гарантийное обслуживание
В течении 14 дней со дня покупки, если товар оказался неисправным, Вам необходимо обратиться в наш сервисный центр.
Просим отнестись с пониманием к тому, что оборудование неправильно введенное в эксплуатацию и получившее в связи с этим поломки или повреждения снимается с гарантии. Проблемы с таким оборудованием могут быть устранены нашими специалистами за отдельную плату.
Поэтому мы настоятельно рекомендуем заказывать ввод в эксплуатацию сразу при покупке оборудования.
После 14 дней со дня покупки неисправного товара, обслуживаемого сервисным центром производителя (стенды развал-схождения, мойки деталей, компрессоры и др.), Вам необходимо обратиться в соответствующий сервис-центр. В случае, если сервисный центр выдаст Вам заключение о невозможности ремонта Вашего товара, Вы можете вернуть этот товар нам, предъявив это заключение.
Автомобильные подъемники, шиномонтажное оборудование, заправки кондиционеров и многие другие товары, не имеющие гарантии сервисного центра производителя, обслуживаются в сервисном центре Техносоюз. В нашем сервисном центре мы стараемся максимально сократить сроки ремонта или обмена Вашего оборудования. В случаях, когда неисправность очевидна, подозрений на скрытые повреждения и неправильную эксплуатацию товара нет, и ремонт товара невозможен, мы меняем товар сразу после диагностики.
Если у Вас нет возможности доставить неисправное оборудование к нам в сервис, наш мастер может приехать к Вам для проведения диагностики или ремонта, стоимость выезда - 1 500 руб. (в пределах МКАД), за МКАД +30 руб./км
Возврат товара
Обратите внимание, что многие товары, которые продает наша компания, относятся к категории «технически сложных товаров», которые не подлежат безусловному возврату или обмену, если они по каким-то причинам не подошли покупателю и при этом не имеют недостатков.
Просим отнестись с пониманием к тому, что товар, целостность упаковки или комплекта которого нарушена, может быть принят с уценкой.
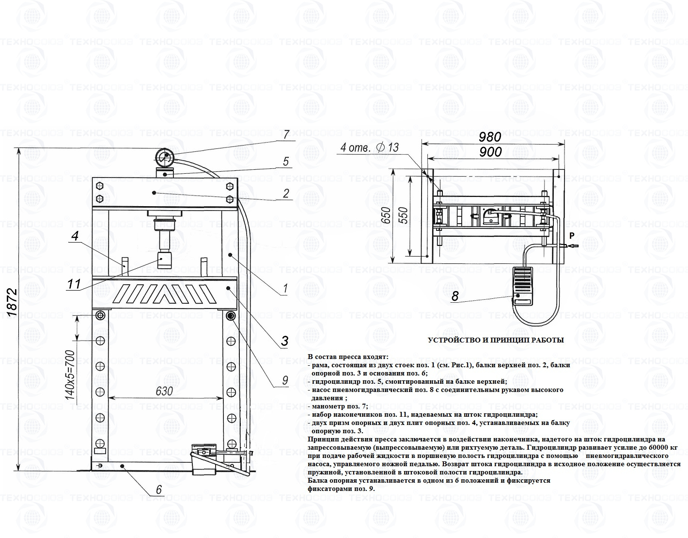
Пресс пневмогидравлический П-60 идеально подходят для использования в мастерских и автосервисах, подсобных хозяйствах. Имеют малые габариты, что позволяет установить их с минимальным использованием рабочего места. Надёжная гидравлическая часть, манжеты и уплотнения от лучших производителей обеспечивает отсутствие утечек масла грязи на рабочем месте. Простая, проверенная конструкция гарантирует надежность в работе и простоту в эксплуатации. Прилагаемый комплект сменного инструмента: призмы (1), пуансоны различной формы и диаметров (2,3,4,5), плиты с отверстиями (6), позволяет выполнять широкий спектр таких работ, как гибка под различными углами, рихтовка, запрессовка и т.п. Возможно комплектование оборудованием для гибки труб. Все пресса имеют удобное просто регулируемое по высоте рабочее место, современный внешний вид и дизайн. Возможно цветовое решение прессов по желанию заказчика.
|
Модель пресса |
П-60 |
|
Тип |
стационарный напольный |
|
Вид привода |
пневмогидравлический |
|
Усилие развиваемое на штоке гидроцилиндра при максимальном давлении в гидросистеме 70 МПа, тонн, не менее |
60 |
|
Рабочий ход штока гидроцилиндра, мм, не менее |
175 |
|
Число ступеней переустановки балки опорной |
6 |
|
Расстояние от торца штока, находящегося в исходном положении, до опорной плоскости балки опорной, мм |
110…860 |
|
Максимальное рабочее давление в гидросистеме, МПа |
70 при давлении сжатого воздуха в пневмосети 0,8…1,4 МПа |
|
Габаритные размеры пресса, мм, не более длина х ширина х высота |
650 х 1000 х 1872 |
|
Масса, кг, не более |
240 |
|
Установленная безотказная наработка, час, не менее |
1000 |
|
Назначенный срок службы, лет |
8 |
|
Рама пресса в сборе с гидроцилиндром и насосом ножным с соединительным рукавом высокого давления, шт. |
1 |
|
Наконечник, шт. |
1 |
|
Плита опорная, шт. |
2 |
|
Наконечник, шт. |
1 |
|
Наконечник, шт. |
1 |
|
Призма, шт. |
2 |
|
Наконечник, шт. |
1 |
|
Руководство по эксплуатации П-60.00.00.000РЭ, экз. |
1 |
|
Упаковочный лист, экз. |
1 |

